By Semtech 1585

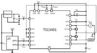
Semtech’s TS13401 is a galvanically isolated, 60 V power FET driver with bidirectional blocking. The state of the TS13401 is controlled by sending commands on the CLK input. The switch can support several sensing modes where the switch state, load current, supply voltage, and device temperature can be sampled. The digitized measurements can be read back from the device on the DATA pin when requested on the CLK pin. This driver supports power transfer from the system's AC supply to the low-voltage controller domain.
Several protection features are included in the TS13401 driver. One feature is the switch will open in self-protection if current exceeds the overcurrent limit or if the device temperature limit is exceeded. The switch remains open until a new turn-on sequence is given.
Features